网站导航
首页
FAG轴承
SKF轴承
NSK轴承
NTN轴承
IKO轴承
KOYO轴承
NACHI轴承
INA轴承
TIMKEN轴承
联系我们
关于我们
销售热线:
0512-62658883
轴承基本参数
型号:OH32/900H轴承
品牌:SKF
系列:紧定套
轴承OH32/900H是我公司专业销售,我们能对OH32/900H轴承为客户提供详细参数,需要SKF OH32/900H最新规格、报价等资料请联系销售人员
0512-62658883
!
紧定套
尺寸
体积
型号
紧定轴套带螺母
锁定螺母
锁定装置
适宜的液压
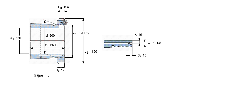
d
1
d
d
3
B
1
G
和锁紧装置
螺母
mm
kg
-
850
900
1120
660
Tr 900x7
776
OH 32/900 H
HM 31/900
MS 31/900
HMV 180 E
推荐型号
29685/29622D轴承
7211-B-TVP轴承
UKP311;H2311X轴承
15118/15245轴承
33287/33462DC轴承
7602055-TVP轴承
UKP313;H2313X轴承
15120/15250X轴承
33287/33462D轴承
B7211-C-2RSD-T-P4S轴承
UKP312;H2312X轴承
33287/33472DC轴承
15120/15250轴承
UKP315;H2315X轴承
B7211-C-T-P4S轴承
©2022 恩梯必传动设备(苏州)有限公司