网站导航
首页
FAG轴承
SKF轴承
NSK轴承
NTN轴承
IKO轴承
KOYO轴承
NACHI轴承
INA轴承
TIMKEN轴承
联系我们
关于我们
销售热线:
0512-62658883
轴承基本参数
型号:OH31/800H轴承
品牌:SKF
系列:紧定套
轴承OH31/800H是我公司专业销售,我们能对OH31/800H轴承为客户提供详细参数,需要SKF OH31/800H最新规格、报价等资料请联系销售人员
0512-62658883
!
紧定套
尺寸
体积
型号
紧定轴套带螺母
锁定螺母
锁定装置
适宜的液压
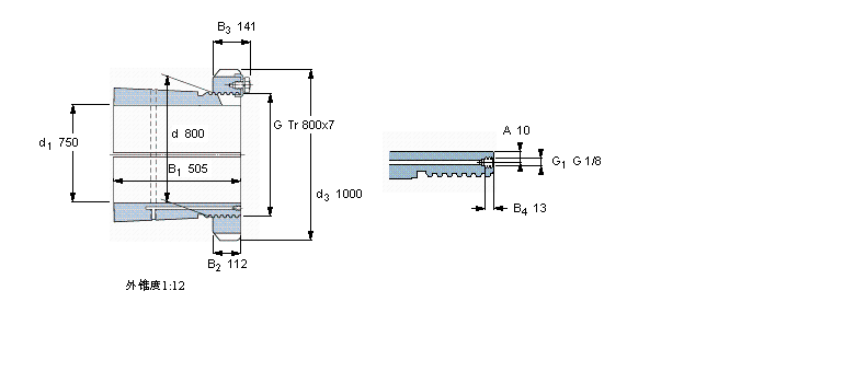
d
1
d
d
3
B
1
G
和锁紧装置
螺母
mm
kg
-
750
800
1000
505
Tr 800x7
535
OH 31/800 H
HM 31/800
MS 31/800-750
HMV 160 E
推荐型号
6012-2RSR轴承
NUP2218EM轴承
W609轴承
NU2318轴承
6012-2Z轴承
W609-2Z轴承
NU309ET轴承
B7012-C-2RSD-T-P4S轴承
W629轴承
B7012-C-T-P4S轴承
NJ309ET轴承
W629-2Z轴承
NUP309ET轴承
B7012-E-2RSD-T-P4S轴承
WEEMB3轴承
©2022 恩梯必传动设备(苏州)有限公司