网站导航
首页
FAG轴承
SKF轴承
NSK轴承
NTN轴承
IKO轴承
KOYO轴承
NACHI轴承
INA轴承
TIMKEN轴承
联系我们
关于我们
销售热线:
0512-62658883
轴承基本参数
型号:OH30/600H轴承
品牌:SKF
系列:紧定套
轴承OH30/600H是我公司专业销售,我们能对OH30/600H轴承为客户提供详细参数,需要SKF OH30/600H最新规格、报价等资料请联系销售人员
0512-62658883
!
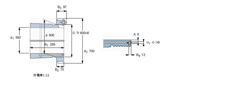
紧定套
尺寸
体积
型号
紧定轴套带螺母
锁定螺母
锁定装置
适宜的液压
d
1
d
d
3
B
1
G
和锁紧装置
螺母
mm
kg
-
560
600
700
289
Tr 600x6
147
OH 30/600 H
HM 30/600
MS 30/600-530
HMV 120 E
推荐型号
NU19/560-M1轴承
2308EKTN9轴承
KRE30PP轴承
292/560-E-MB轴承
2308EM轴承
KRV30PP轴承
239/560-B-K-MB轴承
2308ETN9轴承
KR32PP轴承
239/560-B-MB轴承
1209EKTN9轴承
KRV32PP轴承
GE560-DO轴承
1209ETN9轴承
KRE32PP轴承
©2022 恩梯必传动设备(苏州)有限公司