网站导航
首页
FAG轴承
SKF轴承
NSK轴承
NTN轴承
IKO轴承
KOYO轴承
NACHI轴承
INA轴承
TIMKEN轴承
联系我们
关于我们
销售热线:
0512-62658883
轴承基本参数
型号:OH3056H轴承
品牌:SKF
系列:紧定套
轴承OH3056H是我公司专业销售,我们能对OH3056H轴承为客户提供详细参数,需要SKF OH3056H最新规格、报价等资料请联系销售人员
0512-62658883
!
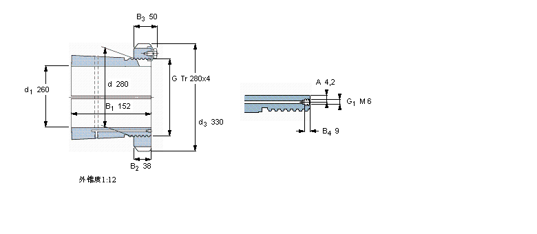
紧定套
尺寸
体积
型号
紧定轴套带螺母
锁定螺母
锁定装置
适宜的液压
d
1
d
d
3
B
1
G
和锁紧装置
螺母
mm
kg
-
260
280
330
152
Tr 280x4
16,0
OH 3056 H
HM 3056
MS 3056
HMV 56 E
推荐型号
6280/6220-B轴承
20238-MB轴承
NCF2234V轴承
7316C/DB轴承
NN3030K/W33轴承
636/632-B轴承
6238-M轴承
NJG2334VH轴承
7212AC/DB轴承
NN3032K/W33轴承
6380/6320-B轴承
B7238-C-T-P4S轴承
NCF2936CV轴承
7202AC/DB轴承
NN3034K/W33轴承
©2022 恩梯必传动设备(苏州)有限公司