


| 带法兰的滚子轴承单元, 锁定套和插口,用于英制的轴, locating units, labyrinth seals | |||||||||||
|
|
|||||||||||
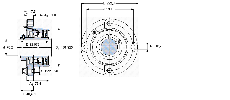
| 尺寸 | 尺寸 [英寸] | 限制速度 | 质量 | 型号 | 轴承,基本型号 | ||||||
| 动态 | 静态 | ||||||||||
| da | A1 | J | L | T | C | C0 | |||||
|
|
|||||||||||
| mm | kN | r/min | kg | - | - | ||||||
|
|
|||||||||||
| 76,2 | 79,4 | 190,5 | 222,3 | 40,481 | 158 | 208 | 3400 | 8,85 | FYRP 3 H-18 | 22215 | |