


| 带法兰的滚子轴承单元, 锁定套和插口,用于英制的轴, locating units, radial shaft seals | |||||||||||
|
|
|||||||||||
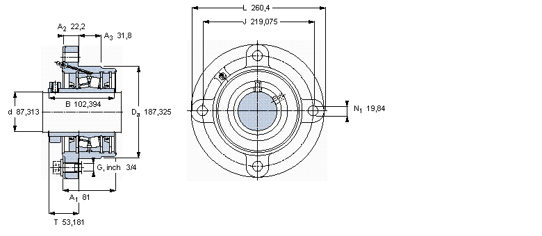
| 尺寸 | 尺寸 [英寸] | 限制速度 | 质量 | 型号 | 轴承,基本型号 | ||||||
| 动态 | 静态 | ||||||||||
| da | A1 | J | L | T | C | C0 | |||||
|
|
|||||||||||
| mm | kN | r/min | kg | - | - | ||||||
|
|
|||||||||||
| 87,313 | 81 | 219,075 | 260,4 | 53,181 | 253 | 340 | 1300 | 13,4 | FYRP 3.7/16 H-3 | 22218 | |