


| 深沟球轴承, 单列, SKF Energy Efficient (E2) bearings | ||||||||||
| 公差, 参见文字 | ||||||||||
| 径向内部游隙 , 参见文字 | ||||||||||
| 推荐配合 | ||||||||||
| 轴和轴承座公差 | ||||||||||
|
|
||||||||||
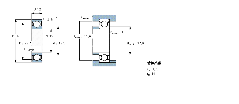
| 主要数据尺寸 | 基本负荷额定值 | 疲劳负荷限值 | 额定速度 | 体积 | 型号 | |||||
| 动态 | 静态 | 参照速度 | 限制速度 | |||||||
| d | D | B | C | C0 | Pu | |||||
|
|
||||||||||
| mm | kN | kN | r/min | kg | - | |||||
|
|
||||||||||
| 12 | 37 | 12 | 9,95 | 4,15 | 0,176 | 49000 | 25000 | 0,060 | E2.6301-2Z/C3 | |