


| 聚合物球轴承,单列球轴承, POM/POM/glass/PA66 | ||||||||
|
|
||||||||
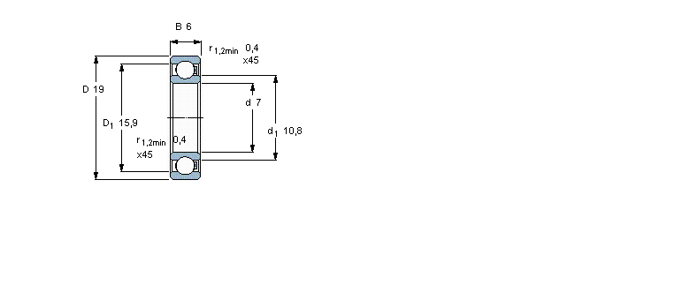
| 主要数据尺寸 | 负荷能力 | 额定速度 | 体积 | 型号 | ||||
| d | D | B | 动态 1) | 静态 2) | 最大 3) | 最大 | - | |
| 1) above 50 °C and/or above 20 % | 3) Consider load carrying | |||||||
| of max speed rating consider | capability reduction according | |||||||
| reduction according to diagram | to diagram | |||||||
| 2) above 50 °C consider | ||||||||
| reduction according to diagram | ||||||||
|
|
||||||||
| mm | kN | r/min | kg | - | ||||
|
|
||||||||
| 7 | 19 | 6 | 0,07 | 0,05 | 2600 | 0,0022 | 607/HR11QN | |