


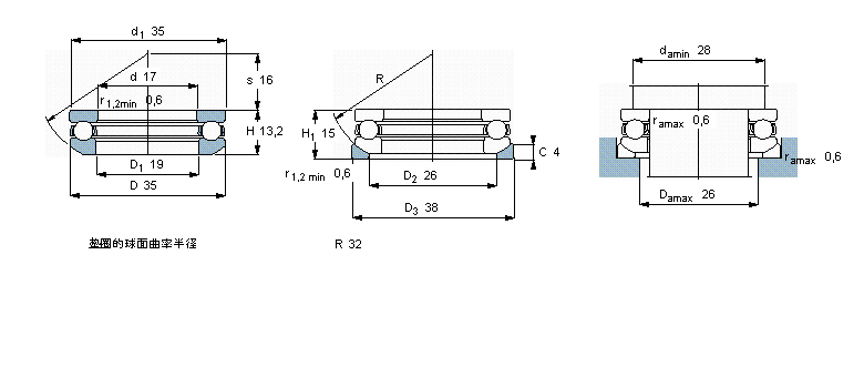
| 推力球轴承, 单向,带球面轴承座垫圈 | ||||||||||||
| 公差 , 参见文字 | ||||||||||||
| 推荐配合 | ||||||||||||
| 轴和轴承座公差 | ||||||||||||
|
|
||||||||||||
| 主要数据尺寸 | 基本负荷额定值 | 疲劳负荷限值 | 最小负荷系数 | 额定速度 | 体积 | 型号 | ||||||
| 动态 | 静态 | 参照速度 | 限制速度 | 轴承 +垫圈 | 轴承 | 基座垫圈 | ||||||
| d | D | H1 | C | C0 | Pu | A | ||||||
|
|
||||||||||||
| mm | kN | kN | - | r/min | kg | - | ||||||
|
|
||||||||||||
| 17 | 35 | 15 | 17,2 | 30 | 1,1 | 0,0047 | 6700 | 9500 | 0,071 | 53203 | U 203 | |