


| 推力球轴承, 单向 | |||||||||||
| 公差 , 参见文字 | |||||||||||
| 推荐配合 | |||||||||||
| 轴和轴承座公差 | |||||||||||
|
|
|||||||||||
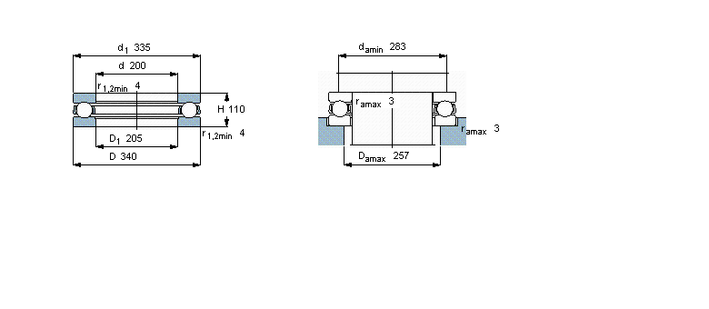
| 主要数据尺寸 | 基本负荷额定值 | 疲劳负荷限值 | 最小负荷系数 | 额定速度 | 体积 | 型号 | |||||
| 动态 | 静态 | 参照速度 | 限制速度 | ||||||||
| d | D | H | C | C0 | Pu | A | |||||
|
|
|||||||||||
| mm | kN | kN | - | r/min | kg | - | |||||
|
|
|||||||||||
| 200 | 340 | 110 | 624 | 2600 | 58,5 | 35 | 630 | 900 | 44,5 | 51340 M | |