


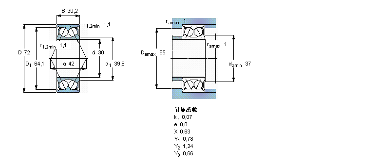
| 角接触球轴承, 双列, 无密封件 | ||||||||||
| 公差 , 参见文字 | ||||||||||
| 轴向内部间隙, a), b), 参见文字 | ||||||||||
| 推荐配合 | ||||||||||
| 轴和轴承座公差 | ||||||||||
|
|
||||||||||
| 主要数据尺寸 | 基本负荷额定值 | 疲劳负荷限值 | 额定速度 | 体积 | 型号 | |||||
| 动态 | 静态 | 参照速度 | 限制速度 | |||||||
| d | D | B | C | C0 | Pu | * - SKF Explorer 轴承 | ||||
|
|
||||||||||
| mm | kN | kN | r/min | kg | - | |||||
|
|
||||||||||
| 30 | 72 | 30,2 | 41,5 | 27,5 | 1,16 | 9000 | 9000 | 0,53 | 3306 ATN9 * | |