


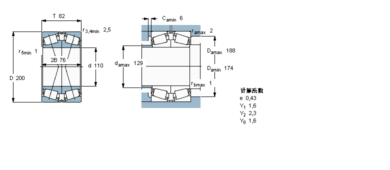
| 圆锥滚子轴承, 单列,面对面配对 | ||||||||||
| 公差 , 参见文字 | ||||||||||
| 轴向内部间隙, 参见文字 | ||||||||||
| 推荐配合 | ||||||||||
| 轴和轴承座公差 | ||||||||||
|
|
||||||||||
| 主要数据尺寸 | 基本负荷额定值 | 疲劳负荷限值 | 额定速度 | 体积 | 型号 | |||||
| 动态 | 静态 | 参照速度 | 限制速度 | |||||||
| d | D | T | C | C0 | Pu | |||||
|
|
||||||||||
| mm | kN | kN | r/min | kg | - | |||||
|
|
||||||||||
| 110 | 200 | 82 | 523 | 800 | 90 | 2000 | 3200 | 10,5 | 30222 J2/DF | |