


| 球面滚子轴承, 圆柱型内孔,含Solid Oil, 圆柱型内孔 | |||||||||
| 公差 , 参见文字 | |||||||||
| 径向内部游隙 , 参见文字 | |||||||||
| 推荐配合 | |||||||||
| 轴和轴承座公差 | |||||||||
|
|
|||||||||
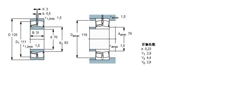
| 主要数据尺寸 | 基本负荷额定值 | 疲劳负荷限值 | 限制速度 | 体积 | 型号 | ||||
| 动态 | 静态 | ||||||||
| d | D | B | C | C0 | Pu | * - SKF Explorer 轴承 | |||
|
|
|||||||||
| mm | kN | kN | r/min | kg | - | ||||
|
|
|||||||||
| 70 | 125 | 31 | 208 | 228 | 25,5 | 430 | 1,55 | 22214 E/W64 * | |